Quick InfoBoard FootprintData SheetProduct ManualCad Drawing
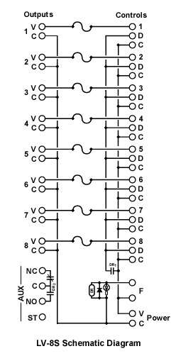
All BASE products that feature a Fire Interface Relay (2-pole) have terminals for the second set of contacts (Aux) that can be used for alarm monitoring of the Disconnect feature or for 'daisy-chaining' the fire interface to the next module.

At the Aux terminals, a spare terminal is provided (ST) for terminating one side of an end-of-line resistor if needed.



The LV-8S distributes power to 8 door locks directly controlled by an Access Control System (without isolation relays). A socket and terminals are provided for an optional Disconnect relay that can drop power to fail-safe locks when interfaced to a fire or life safety system.


• Distributes Power through 8 Fused Outputs

• Fail Safe or Fail Secure selectable per output

• 8 Inputs for Access Controller Interface

• Emergency Fail-Safe Power Disconnect

• Disconnect Relay Red LED Indicator

• Fire Interface Alarm Monitor Aux Contacts

• Uses Standard 3AG Fuses (1/4 x 1-1/4)

• 3.75" x 8.00" x 2.50" installed height

• Includes mounting standoffs and manual


Stocked Accessories:
3AG Fuses - various current ratings in stock.
RH Series Relays - 12/24 vdc in stock.

Selectable Series
 


BASE Electronics, Inc. • 2856-C Janitell Road • Colorado Springs, CO 80906 • 719-540-9697 719-540-9698 Fax

| Home | About BASE | Tech Tips | Request Pricing | Contact Us | Privacy Policy | Copyright © 2007 BASE Electronics, Inc. All rights reserved.